Log In
Become A Member
News
Porsche News
The Market
Motorsport
Restomods
Features
Recent Features
Yesteryear
History Hub
People & Profiles
Porsche History
Porsche Lists
Current
Full Lineup
Boxster
Cayman
911
Cayenne
Macan
Panamera
Taycan
Road Cars
911
911 (All)
911 F (1st Gen)
911 G (2nd Gen)
911 964 (3rd Gen)
911 993 (4th Gen)
911 996 (5th Gen)
911 997 (6th Gen)
911 991 (7th Gen)
911 992 (8th Gen)
Historic Models
356
914
924
928
944
968
959
911 GT1
Carrera GT
918 Spyder
Boxster & Cayman
Boxster (All)
Boxster 986 (1st Gen)
Boxster 987 (2nd Gen)
Boxster 981 (3rd Gen)
718 Boxster 982 (4th Gen)
Cayman (All)
Cayman 987 (2nd Gen)
Cayman 981 (3rd Gen)
718 Cayman 982 (4th Gen)
Four-Door Models
Cayenne (All)
Cayenne (1st Gen)
Cayenne (2nd Gen)
Cayenne (3rd Gen)
Cayenne (4th Gen)
Macan (All)
Macan (1st Gen)
Macan (2nd Gen)
Panamera (All)
Panamera (1st Gen)
Panamera (2nd Gen)
Panamera (3rd Gen)
Taycan
Misc
Full Model List
Supercars
Race Cars
Concept Cars
911 Turbo (All Gens)
GT3 & GT3 RS (All Gens)
Race Cars
Type 64
550
718
906
904
907
908
910
917
935
936
956
962
919
963
Research
Buyer’s Guides
Model List
Performance Data
Colors
Engines
Option Codes
Le Mans Data
Parts Codes
Production Data
Sales Brochures
Maintenance
VIN Decoder
Common Problems
Models Stories
The Ecosystem
Singer
Lanzante
PS Autoart
Guides
911 Buyer Guides
911 (All)
911 (F-Series)
911 (G-Series)
911 (964)
911 (993)
911 (996)
911 (997)
911 (991)
911 (992)
Boxster & Cayman Buyer Guides
Boxster (All)
Boxster 986 (1st Gen)
Boxster 987 (2nd Gen)
Boxster 981 (3rd Gen)
718 Boxster 982 (4th Gen)
Cayman (All)
Cayman 987 (2nd Gen)
Cayman 981 (3rd Gen)
718 Cayman 982 (4th Gen)
Cayenne, Macan, Panamera Guides
Cayenne (All)
Cayenne (1st Gen)
Cayenne (2nd Gen)
Cayenne (3rd Gen)
Macan (1st Gen)
Panamera (All)
Panamera (1st Gen)
Panamera (2nd Gen)
Panamera (3rd Gen)
Other Buyer Guides
356
914
924
928
944
968
959
Carrera GT
918 Spyder
Taycan (1st Gen)
Best Porsche Lists
More
Porsche Archives
Restomods
Pictures
Videos
Book Reviews
My Porsche
Events
Best Porsches
Buyer’s Guides
Shop
T-Shirts
Gift A Membership
Members
Sign in
Become a Member
Member FAQs
Premium Content
Subscribe
Reading
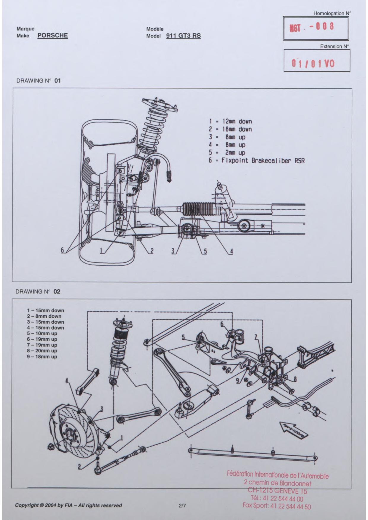
FIA Homologation Protocol for Porsche-996 GT3 RS, 2004
Share
Tweet
Stuttcars Team
·
Homologation Protocol
FIA Homologation Protocol for Porsche-996 GT3 RS, 2004
News
Porsche News
The Market
Motorsport
Restomods
Features
Recent Features
Yesteryear
History Hub
People & Profiles
Porsche History
Porsche Lists
Current
Full Lineup
Boxster
Cayman
911
Cayenne
Macan
Panamera
Taycan
Road Cars
911
911 (All)
911 F (1st Gen)
911 G (2nd Gen)
911 964 (3rd Gen)
911 993 (4th Gen)
911 996 (5th Gen)
911 997 (6th Gen)
911 991 (7th Gen)
911 992 (8th Gen)
Historic Models
356
914
924
928
944
968
959
911 GT1
Carrera GT
918 Spyder
Boxster & Cayman
Boxster (All)
Boxster 986 (1st Gen)
Boxster 987 (2nd Gen)
Boxster 981 (3rd Gen)
718 Boxster 982 (4th Gen)
Cayman (All)
Cayman 987 (2nd Gen)
Cayman 981 (3rd Gen)
718 Cayman 982 (4th Gen)
Four-Door Models
Cayenne (All)
Cayenne (1st Gen)
Cayenne (2nd Gen)
Cayenne (3rd Gen)
Cayenne (4th Gen)
Macan (All)
Macan (1st Gen)
Macan (2nd Gen)
Panamera (All)
Panamera (1st Gen)
Panamera (2nd Gen)
Panamera (3rd Gen)
Taycan
Misc
Full Model List
Supercars
Race Cars
Concept Cars
911 Turbo (All Gens)
GT3 & GT3 RS (All Gens)
Race Cars
Type 64
550
718
906
904
907
908
910
917
935
936
956
962
919
963
Research
Buyer’s Guides
Model List
Performance Data
Colors
Engines
Option Codes
Le Mans Data
Parts Codes
Production Data
Sales Brochures
Maintenance
VIN Decoder
Common Problems
Models Stories
The Ecosystem
Singer
Lanzante
PS Autoart
Guides
911 Buyer Guides
911 (All)
911 (F-Series)
911 (G-Series)
911 (964)
911 (993)
911 (996)
911 (997)
911 (991)
911 (992)
Boxster & Cayman Buyer Guides
Boxster (All)
Boxster 986 (1st Gen)
Boxster 987 (2nd Gen)
Boxster 981 (3rd Gen)
718 Boxster 982 (4th Gen)
Cayman (All)
Cayman 987 (2nd Gen)
Cayman 981 (3rd Gen)
718 Cayman 982 (4th Gen)
Cayenne, Macan, Panamera Guides
Cayenne (All)
Cayenne (1st Gen)
Cayenne (2nd Gen)
Cayenne (3rd Gen)
Macan (1st Gen)
Panamera (All)
Panamera (1st Gen)
Panamera (2nd Gen)
Panamera (3rd Gen)
Other Buyer Guides
356
914
924
928
944
968
959
Carrera GT
918 Spyder
Taycan (1st Gen)
Best Porsche Lists
More
Porsche Archives
Restomods
Pictures
Videos
Book Reviews
My Porsche
Events
Best Porsches
Buyer’s Guides
Shop
T-Shirts
Gift A Membership
Members
Sign in
Become a Member
Member FAQs
Premium Content
Start typing to see results or hit ESC to close
Porsche 911
Pictures & Videos
Technical Information
Porsche Videos
The Porsche Archives
See all results
World's Fastest Growing Porsche Community
News, rumors, reviews, cars for sale and more delivered to your inbox each week.
Leave this field empty if you're human: